- Dapatkan link
- X
- Aplikasi Lainnya
- Dapatkan link
- X
- Aplikasi Lainnya
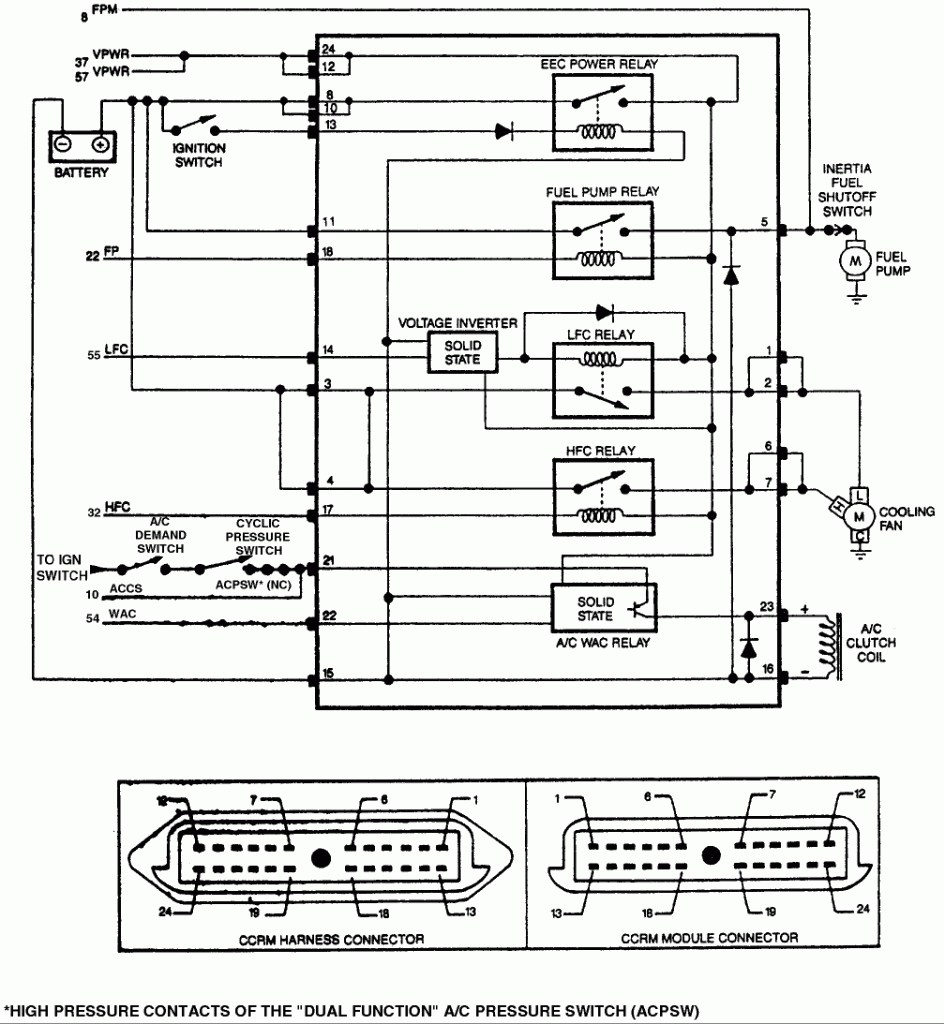
Sandisk Wiring Diagram Ford Wiring Diagram Brake Controller Curt Trailer Pump Lion Wire Ford Control Brakes Sprinkler Installation Sample 2021 Silverado Touareg Light Vw
Duraspark 2 tach wiring. 2015 ford 450e speed domener wiring diagram. Obd emulator wiring tester for ford sync2 sync3 mustang lincoln power
sandisk wiring diagram ford
Download PDF
- Dapatkan link
- X
- Aplikasi Lainnya





Komentar
Posting Komentar